Skip to main content Skip to search Skip to main navigation

Pushbuttons of the series mYnitron®

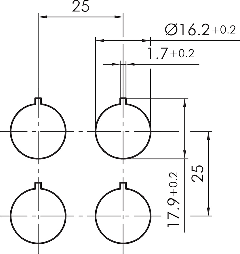
Product information Sketches Mounting depth dimensions
Front dimension Ø 23,5 mm
Panel cut-out Ø 16,2 mm
Front bezel height 4 mm
Degree of protection* IP65/IP67
IP65/IP67/IP69K (Emergency-stop)
Front bezel colours

* individual degree of protection, depending on the respective type

** maximum voltage or current values, depending on the type they may also be lower, e.g. for gold-plated contacts or depending on the number of connections

Product configurator Back
Icon E-Mail Icon Telefon