Skip to main content Skip to search Skip to main navigation

Pushbuttons and switches of the series RONTRON-Q-JUWEL

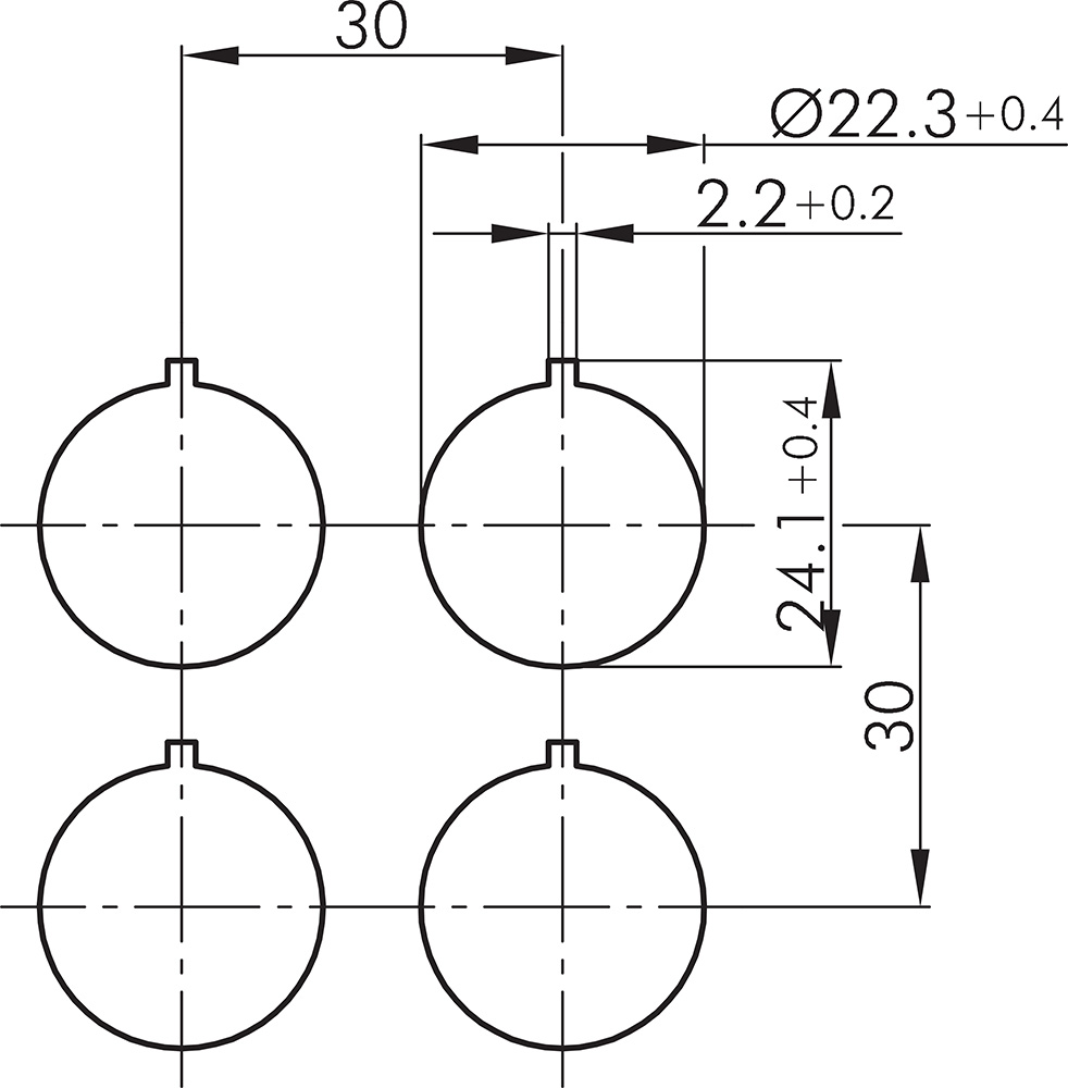
Product information Sketches Mounting depth dimensions
Front dimension 28 x 28 mm
Panel cut-out Ø 22,3 mm
Front bezel height 2 mm
Travel 3 mm
Degree of protection* IP65
Front bezel colours

* individual degree of protection, depending on the respective type

** maximum voltage or current values, depending on the type they may also be lower, e.g. for gold-plated contacts or depending on the number of connections

Product configurator
Back
Icon E-Mail Icon Telefon