Skip to main content Skip to search Skip to main navigation

RVA pusbuttons from SCHLEGEL

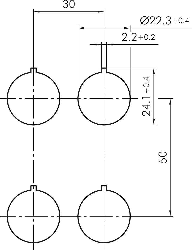
Product information Sketches Mounting depth dimensions
Front dimension Ø 28 mm
Panel cut-out Ø 22,3 mm
Front bezel height 12 mm
Travel 6 mm
Degree of protection* IP65/IP69K
Front bezel colours

* individual degree of protection, depending on the respective type

** maximum voltage or current values, depending on the type they may also be lower, e.g. for gold-plated contacts or depending on the number of connections

Product configurator
Back
Icon E-Mail Icon Telefon