Zum Hauptinhalt springen Zur Suche springen Zur Hauptnavigation springen
Technische Daten
Produktbilder
Downloads

SVATLRROI - Taktiler Drucktaster mit roter Ringbeleuchtung

Edelstahl Drucktaster mit rotem Leuchtring, 1 Öffner, 1 Schließer und Flachsteckanschlüssen.
Baureihe
SHORTRON®
Einbauöffnung
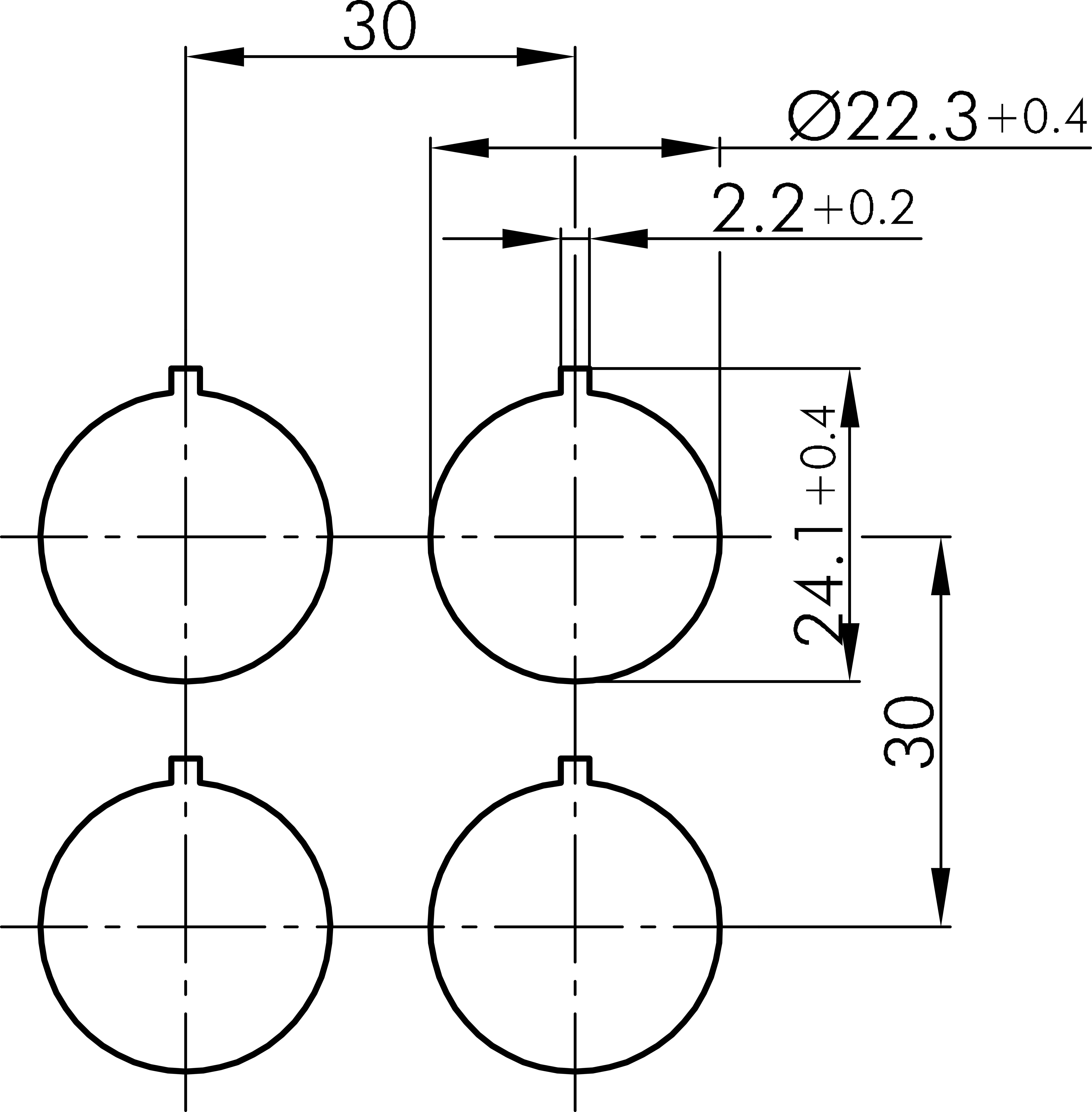
Ø 22,3 mm
Kontaktart
1NC + 1NO
Schaltfunktion
Tastfunktion
Beleuchtung
Ja
Leuchtmittel
LED integriert
Farbe Frontrahmen
Edelstahl
Farbe Leuchtring
rot
Farbe Betätigungselement
Edelstahl
Bauform
rund
Schutzart Vorne
IP65
IP67
Betriebstemperatur
-25°C ... 70°C
Bemessungsbetriebsspannung IEC/EN 60947-5-1
120 V AC
240 V AC
24 V DC
60 V DC
125 V DC
250 V DC
Bemessungsbetriebsstrom IEC/EN 60947-5-1
3 A AC
1,5 A AC
2 A DC
1 A DC
0,55 A DC
0,27 A DC
Mechanische Lebensdauer
1.000.000 Schaltspiele
Elektrische Lebensdauer
max. 100.000 Schaltspiele DC-13
1.000.000 Schaltspiele bei Nennlast
Approbationen
VDE, CCC, cURus, DNV, ENEC10, CE, UKCA
Technische Skizzen
Maßskizze SVATLRROI
Bohrbild SVATLRROI
Schaltbild SVATLRROI
Schaltwegediagramm SVATLRROI
Produktbild SVATLRROI
Icon E-Mail Icon Telefon